Skyglass Interior Design - Seattle 30-Story Multifamily Residential Tower

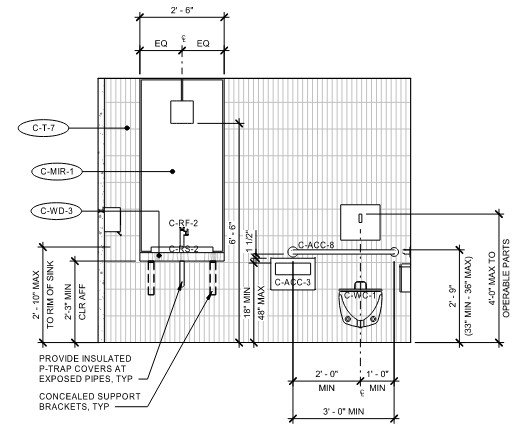
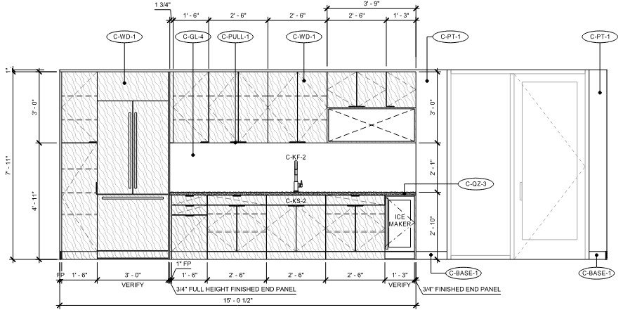
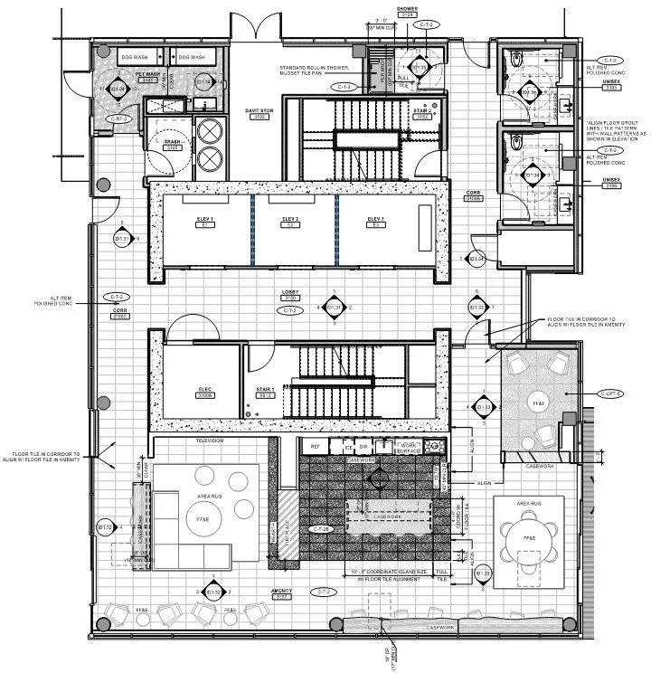
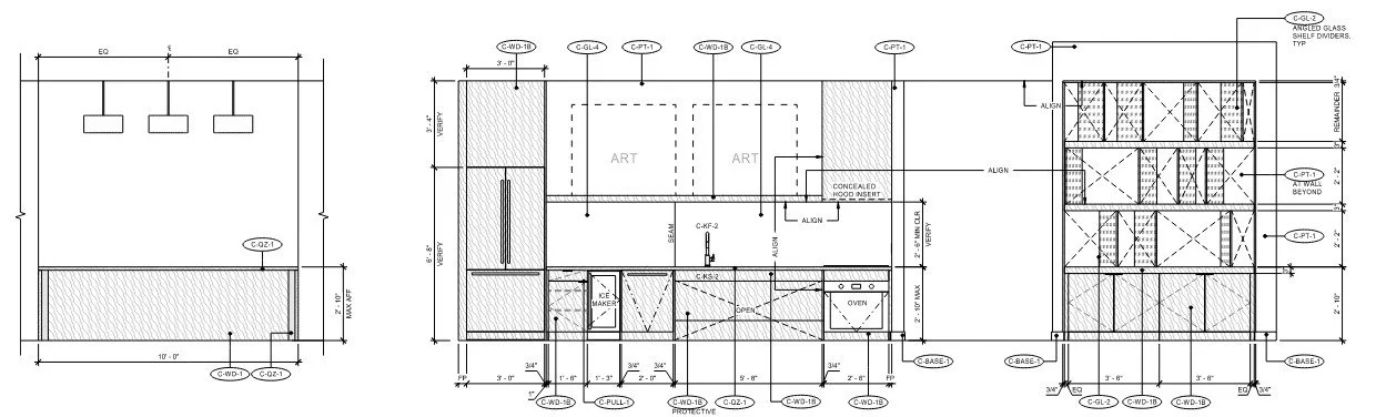
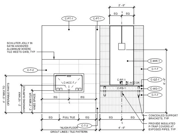
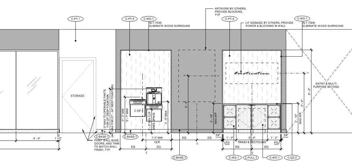
Skyglass was completed while I was part of the talented, collaborative team at Weber Thompson, an award-winning Seattle firm specializing in architecture, interior design, and landscape architecture with a strong focus on sustainability and innovation. During my nearly two-decade tenure there—from 2005 through 2024—I contributed to projects of varying size, type, and complexity across all phases, from design development through contract administration and construction. My work centered on producing detailed documentation for interior-related elements, technical detailing, accessibility requirements, cabinetry, and finishes. I enjoyed space planning and provided thoughtful solutions whenever opportunities arose to refine plans or address challenges. The projects shown here are just a small sampling of the meaningful work I had the honor to contribute to as part of the Weber Thompson team.

Explore Weber Thompson or click on the project name below to be taken directly to the Weber Thompson project page.